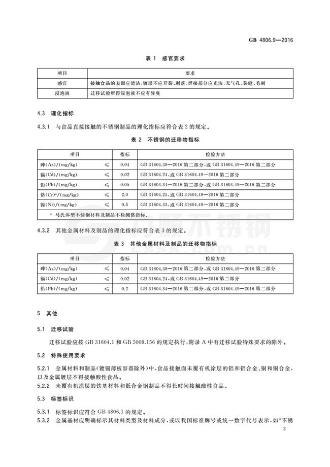
食品用不銹鋼應符合國家強制標準GB4806.9-2016《食品安全.國家標準 食品接觸用金屬材料及制品》,具體內容如下:







食品級不銹鋼執行標準正如上文所述,欲了解201、316L、304是不是食品級不銹鋼,需按本食品級不銹鋼標準從原材料要求、感官要求、理化指標、遷移試驗幾個方面考量。
【質量與標準相關知識】
FDA
全稱是Food and Drug Administration,美國食品和藥物管理局的縮寫。
GMP
全稱是Good Manufacturing Practice,含義是良好生產規范。
世界衛生組織將GMP定義為指導食物、藥品、醫療產品生產和質量管理的法規。
CE認證
全稱是Communaute Europnne,歐共體的法語縮寫。也可視之為:Conformity With European (Demand) 符合歐洲(要求)。
CE標志是一種安全認證標志,被視為制造商打開并進入歐洲市場的護照。CE標志是安全合格標志而非質量合格標志。
在歐盟市場CE標志屬強制性認證標志,不論是歐盟內部企業生產的產品,還是其他國家生產的產品,要想在歐盟市場上自由流通,就必須加貼CE標志,以表明產品符合歐盟《技術協調與標準化新方法》指令的基本要求。這是歐盟法律對產品提出的一種強制性要求。
3C認證
全稱是China Compulsory Certification,含義是中國強制性產品認證,英文縮寫CCC,即所謂3C。
它是中國政府為保護消費者人身安全和國家安全、加強產品質量管理、依照法律法規實施的一種產品合格評定制度。
需注意,3C標志并不是質量標志,它是一種***基礎的安全認證。
ISO認證
全稱是International Organization for Standardization,是國際標準化組織的簡稱。
ISO是世界上zui大的國際標準化組織。(出處:https://baike.baidu.com/item/iso%E8%AE%A4%E8%AF%81/996754)
ISO和IEC(國際電工委員會)作為一個整體擔負著制訂全球協商一致的國際標準的任務。ISO和IEC都是非政府機構,它們制訂的標準實質上是自愿性的,這就意味著這些標準必須是優秀的標準,它們會給工業和服務業帶來收益,所以他們自覺使用這些標準。
ISO9000不是指一個標準,而是一組標準的統稱。ISO9000族標準指由ISO/TC176制定的所有國際標準。
【參考資料】
中華人民共和國食品安全法(全文)
https://www.gov.cn/xinwen/2015-04/25/content_2852919.htm
【擴展閱讀】
力順不銹鋼,不銹鋼倉儲、加工、配送
固話:0510-6689 2161
手機:188 6160 5033
關鍵詞:不銹鋼,食品級,標準,食用級
上一篇:2205是什么材質? 下一篇:不銹鋼板厚度尺寸規格表


